产品展示

新闻资讯

联系我们

联系人:刘长青

手机:13901476591

邮箱:[email protected]

地址:江苏省海安县南莫青墩工业区

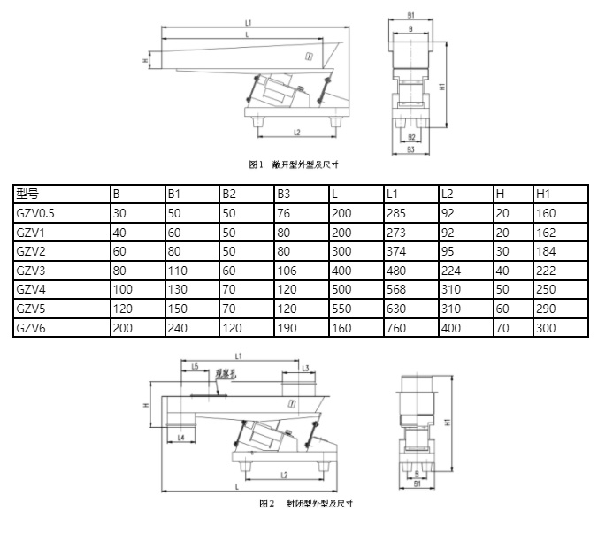
GZV型微型振动给料机

所属栏目:GZV型微型震动给料机

        扫码查看手机端

详情咨询



在线客服
联系方式

热线电话

13901476591

上班时间

周一到周五

公司电话

0513-80685908

二维码
线